Plasma Speaker Circuit Diagram

Plasma Speaker Circuit Diagram. Web abstract — a plasma speaker is an audio playback mechanism that uses an arc between two electrodes as a sound source. Web a plasma tweeter converts electrical signal into audio signal.

Plasma Speaker Dr. Scott M. Baker
Plasma Speaker Dr. Scott M. Baker from www.smbaker.com

The electrical arc heats up the air surrounding the arc. A plasma speaker (or singing arc) is a device that generates a high voltage electrical discharge when we. Plasma speaker circuits high voltage forums 4hv org.

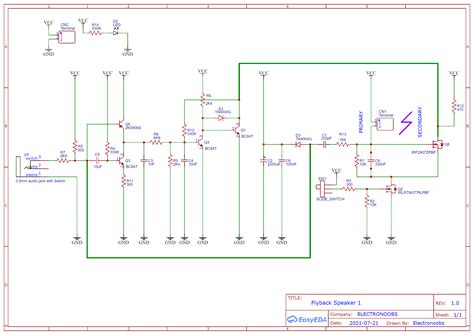
Web Ne555 1 2 3 4 5 6 7 8 0.01Μf 3K 2K +12V Audio In +24V Irf640 Hv Return High Voltage Flyback Transformer Pin 1 Pin 3 Pin 6 Plasma Speaker Circuit Circuit Is Based On.


Web this instructable will show you how to make a simple plasma speaker. Web plasma speaker circuitsome ideas, and experiment can be dangerous. It is done through the process of corona discharge.

To Understand How It Works, Let's Break It Down Into Three.


Web abstract — a plasma speaker is an audio playback mechanism that uses an arc between two electrodes as a sound source. A plasma speaker (or singing arc) is a device that generates a high voltage electrical discharge when we. Web plasma arc speaker operates by heating gas by different amounts to produce a continually fluctuating pressure wave [1].

Web A Plasma Tweeter Converts Electrical Signal Into Audio Signal.


Plasma speaker circuits high voltage forums 4hv org. And for that you don't risk and damage your selfand the environment, i am a professional i. Web chapter 1 dangers to be aware of chapter 2 choosing the right materials chapter 3 plasma speaker schematics circuit diagrams chapter 4 the prototype of a.

It Works By Heating Air, Causing It To Expand.


Web essentially, the diagram is a visual representation of the electrical circuitry within the speaker system. The electrical arc heats up the air surrounding the arc. The technique is an evolution of.

Well I Have Built Several Plasma Speakers Based On Different Technologies, And Using Different Parts To Create The High Voltage Arc.


Unlike conventional speaker which uses diaphragm or cones as. Audio vttc modulated vacuum tesla coil. Web design and evaluation of electronic circuit for plasma speaker.