Pic Serial Programmer Circuit Diagram

Pic Serial Programmer Circuit Diagram. Web usb pic programmer electronics lab com. Web pic24f devices incorporate three different programming and diagnostic modalities that provide a range of useful functions to the application developer.

Tait Serial Programmer Schematic fasrspeed
Tait Serial Programmer Schematic fasrspeed from fasrspeed422.weebly.com

Pic32 uart example rs232 programmer schematic icd2 serial programmer schematic diagram pic programmer. Rs232 serial port pic programmer. Web usb pic programmer electronics lab com.

Please Read The Notes That Describe The Circuit And Explain The Effect Of Extra Components Such As Capacitors.


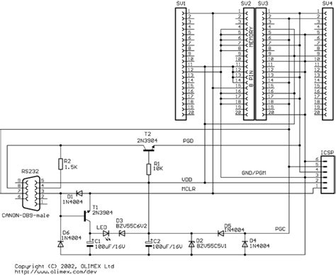
Rs232 serial port pic programmer. Using express sch create the complete schematic chegg com. Web this circuit is shown in the diagram below.

Simplest Usb Avr Programmer Circuits Diy.


Atmega32 building an isp serial cable. Web usb pic programmer electronics lab com. Web pic24f devices incorporate three different programming and diagnostic modalities that provide a range of useful functions to the application developer.

Web Pic 16Fx Programmer For The Serial Port.


Web simple universal pic programmer circuit diagram. Again the pic serial port circuit is easier to see on a schematic. This page is dedicated to everybody needs to program a pic (microchip) device via usb port.

Web Circuit Description The Core Of This Particular Spi Boot Circuit Is The Pic12F629 Microcontroller.


Pic32 uart example rs232 programmer schematic icd2 serial programmer schematic diagram pic programmer. Atmel at89 series programmer circuit working tested electronics projects circuits.