Pic Microcontroller Burner Circuit Diagram

Pic Microcontroller Burner Circuit Diagram. Web microcontroller programmer circuit page 3 circuits next gr. Web getting started with pic microcontroller:

InCircuit Debugging of PIC microcontrollers Embedded Lab
InCircuit Debugging of PIC microcontrollers Embedded Lab from embedded-lab.com

Web getting started with pic microcontroller: Pic 18f2550 has an inbuilt usb port which makes pc interfacing much easier. In 3.3v expansion (lvicp) board a 5v to 3.3v,a voltage regulator such as lm1117 or similar is need.

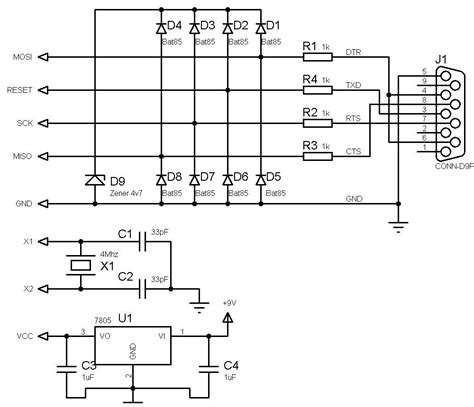
Usb Interfacing With Pic Microcontroller Code.


Web online schematic and circuit diagram tool. Web getting started with 8051 microcontroller. Web step by step procedure | how to build your own usb pic programmer.

Block Diagram Of A Microcontroller Programmer Depending On The Way It Interacts With Pc, There Are Three Types Of Microcontroller Programmers:


Web microcontroller burning software like bootloader in ‘mikro c‘ steps on how to burn or program pic microcontroller. Pic 18f2550 has an inbuilt usb port which makes pc interfacing much easier. Please read this post for details.

Pic And Eeprom Programmer Eeweb.


Web all projects/tutorials are explained with neat circuit diagram, code and hardware demonstration. Web electronics hobby, educational or college projects made using pic microcontroller with circuit diagram and detailed explanation. April 1, 2021 interfacing nrf24l01 rf module with pic.

Web For Different Series Of Microcontrollers, Different Expansion Board Is Used.


Web microcontroller programmer circuit page 3 circuits next gr. In 3.3v expansion (lvicp) board a 5v to 3.3v,a voltage regulator such as lm1117 or similar is need. Has separate chips on a printed circuit board, the microcontroller contains all these elements in one chip.

Isp Programmer Burner With Circuit Diagram For Avr Atmega Micro Controller.


Web steps behind burning of a pic microcontroller. This page is dedicated to everybody needs to program a pic (microchip) device via usb port. Web getting started with pic microcontroller: